



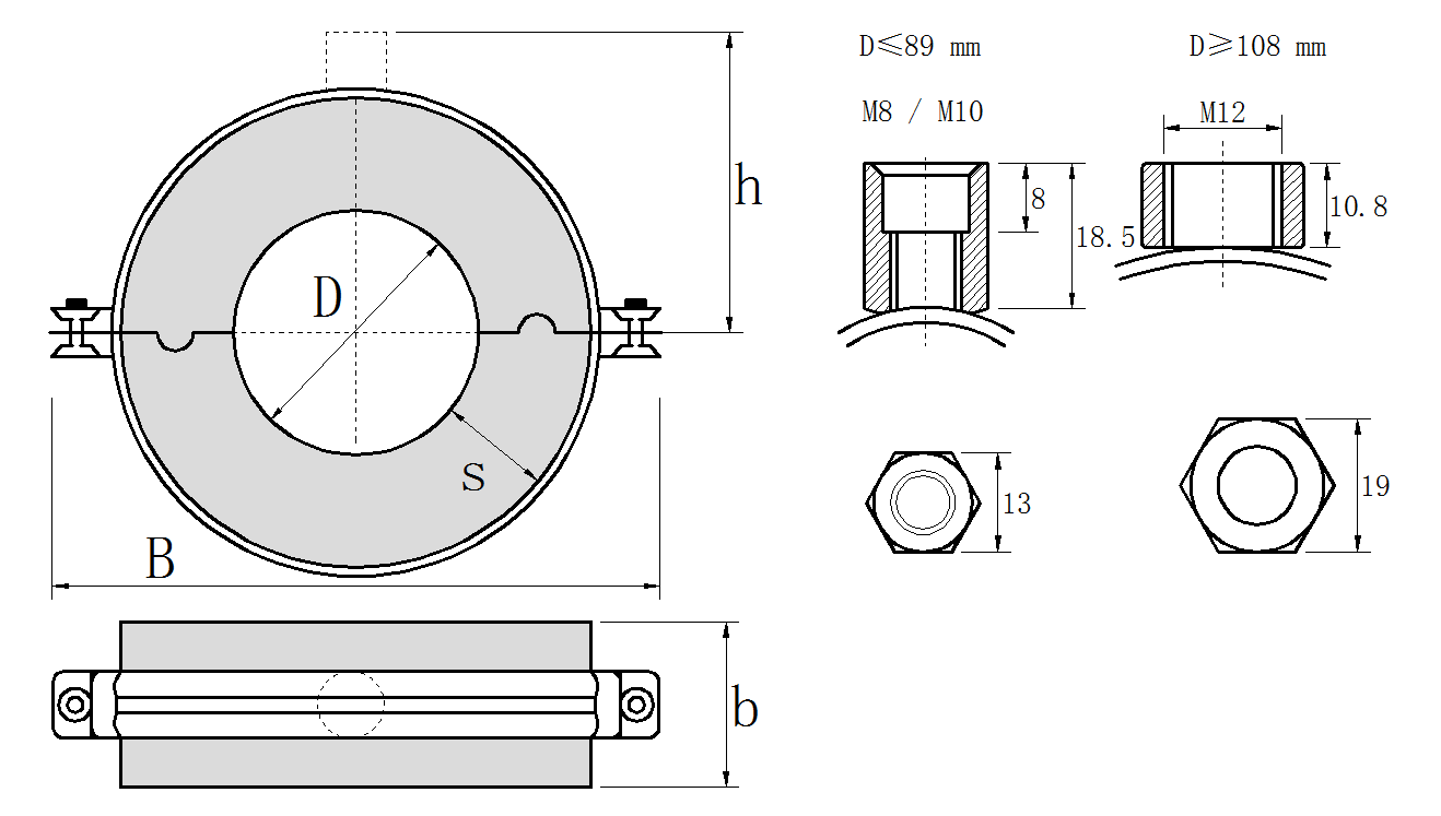
Product introduction
The polyurethane insulation foam pipe lagging is specifically designed to ensure that thickness of the insulating material is absolutely correct,especially at the fixing points.The central section,which covers the whole circumference,is joined to two by half-collars of insulating material to ensure perfect vapor barrier is maintained.The vapor barrier is guaranteed by overlapping fire proof PVC self-adhesive layer.

Product feature
1.Pipe supports low thermal conductivity, good cold insulation effect, ultra-low temperature/high temperature and volume stability and surface resistance of high-strength pressure resistance。
2.Low moisture, flame retardant benign; pipe support components, factory-assembled into a structure of solid single-body, long life;
3.On-site installation quick, easy and safe, without changes to the pipeline. Standardized manufacturing, quality, reliability, prompt delivery。
4.Variety of specifications designed for the needs of all levels of technical and economic choices。

