產品介紹
重型保溫管束采用硬質和軟質管道保溫材料,用于高負載和立管。重型保溫管束由封閉的PUR泡沫制成,具有M8/M10和?"三重螺紋。兩螺釘版本可根據管道外徑進行優化調整。與三重連接螺紋一起,增加了靈活性。膠合橡膠覆蓋層使安裝過程更加容易。這使得外徑為12至219毫米、絕緣厚度高達30毫米的制冷和空調技術管道可以通過螺紋牢固地固定在內桿或螺柱螺釘,抗老化絕緣材料確保絕緣管夾的理想功能。

產品特點
1.分體式設計安裝便捷
2.防止管道在使用中因冷凝作用對管道的損壞
3.緊固螺栓有防脫落措施,內置鐵環承載力強大
4.管束表面光滑,與管道表面結合精確緊密
5.管道支架低導熱性、良好的冷絕緣效果、超低溫度/高溫、體積穩定性和高強度抗壓性能的表面電阻。
6.低受潮性,阻燃性好;管狀支撐元件,工廠組裝成一個堅固的單體結構,長壽命;
7.為各種技術水平和經濟選擇的需要而設計的各種規格的產品。
產品用途
空調冷凍水管、制冷系統管道、家庭水管、工藝管道和其他管道。

技術信息
| 產品數據表 | |
| 材料 | 閉腔聚氨酯 |
| 防火特性 | ASTM E84 class A,UL-94 V-0 |
| 尺寸 | 可定制 |
| 顏色 | 黑色 |
| 抗壓強度 | 2.4N/mm2 |
| 容重 | 300kg/m3 |
| 導熱系數 | 0.042W/(m.k) |
| 熱輻射阻抗系數 | 2000μ |
| 工作溫度 | ﹣160℃~﹢130℃ |
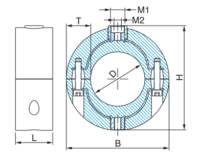
規格說明
品號 | 品名 | 抱箍范圍 | 管道規格 | 管道規格 | 管束寬度 | 管束材料寬度和厚度 | 推薦設計荷載 | 包裝 |
| D(mm) | D('') | DN(mm) | L(mm) | b*s(mm) | F a,z(n) | 個 | ||
| 088 0 015 | 保溫管束 | 15,0 | - | - | 88 | 40*30 | 360 | 10 |
| 088 0 017 | 保溫管束 | 17,2 | 0.375 | 10 | 88 | 40*30 | 410 | 10 |
| 088 0 018 | 保溫管束 | 18,0 | - | - | 88 | 40*30 | 430 | 10 |
088 0 021 | 保溫管束 | 21,3 | 0.5 | 15 | 88 | 40*30 | 510 | 10 |
| 088 0 022 | 保溫管束 | 22,0 | - | - | 88 | 40*30 | 530 | 10 |
| 088 0 027 | 保溫管束 | 26,9 | 0.75 | 20 | 88 | 40*30 | 650 | 10 |
| 088 0 028 | 保溫管束 | 28,0 | - | - | 88 | 40*30 | 670 | 10 |
| 088 0 033 | 保溫管束 | 33,7 | 1 | 25 | 95 | 40*30 | 810 | 10 |
| 088 0 035 | 保溫管束 | 35,0 | - | - | 95 | 40*30 | 840 | 10 |
| 088 0 042 | 保溫管束 | 42,4 | 1.25 | 32 | 102 | 40*30 | 1.020 | 10 |
| 088 0 048 | 保溫管束 | 48,3 | 1.5 | 40 | 108 | 40*30 | 1.160 | 10 |
| 088 0 054 | 保溫管束 | 54,0 | - | - | 117 | 40*30 | 1.300 | 10 |
| 088 0 057 | 保溫管束 | 57,0 | - | - | 117 | 40*30 | 1.370 | 10 |
| 088 0 060 | 保溫管束 | 60,3 | 2 | 50 | 120 | 50*30 | 1.810 | 10 |
| 088 0 076 | 保溫管束 | 76,1 | 2.5 | 65 | 136 | 50*30 | 2.280 | 10 |
| 088 0 089 | 保溫管束 | 88,9 | 3 | 80 | 149 | 50*30 | 2.670 | 10 |
| 088 0 108 | 保溫管束 | 108,0 | - | - | 188 | 60*40 | 3.890 | 10 |
| 088 0 114 | 保溫管束 | 114,3 | 4 | 100 | 195 | 60*40 | 4.120 | 3 |
| 088 0 133 | 保溫管束 | 133,0 | - | - | 220 | 60*40 | 4.790 | 5 |
| 088 0 139 | 保溫管束 | 139,7 | 5 | 125 | 220 | 60*40 | 5.030 | 5 |
| 088 0 159 | 保溫管束 | 159,0 | - | - | 240 | 60*40 | 5.720 | 5 |
| 088 0 168 | 保溫管束 | 168,3 | 6 | 150 | 250 | 60*40 | 6.060 | 5 |
088 0 219 | 保溫管束 | 219,1 | 8 | 200 | 340 | 100*60 | 13.150 | 5 |
